优势特点:日本THK直线导轨滑块SRG45LC属于超高刚性型导轨,组合高度为60,滑块对称安装孔为100*80。THK直线导轨具有互换性,客户可依需要订购导轨或滑块,亦可分开储存导轨及滑块,以减少储存空间。


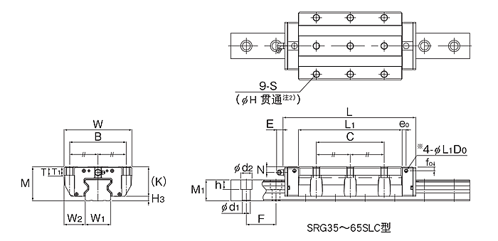
| 型号 | 外形尺寸 | LM滑块尺寸 | H3 | ||||||||||||||||||||||||||||||||||
|
高度 M |
宽度 W |
长度 L |
B | C | C2 | S | H | ℓ1 | ℓ2 | L1 | T | T1 | K | N | E | e0 | f0 | D0 | 油嘴 | ||||||||||||||||||
| SRG45LC | 60 | 120 | 190 | 100 | 80 | 60 | M12 | 10.5 | - | - | 142 | 14.5 | 15 | 52 | 10 | 16 | 7 | 7 | 5.2 | B-PT1/8 | 8 | ||||||||||||||||
| 型号 | LM轨道尺寸 | 基本额定负荷 |
静态容许力矩 kN•m*
|
质量 | |||||||||||||
|
宽度W1 0 -0.05 |
W2 |
高度 M1 |
孔距 F |
d1×d2×h |
长度 Max |
C kN |
Co kN |
MA | MB | MC | |||||||
| 单滑块 | 双滑块紧靠 | 单滑块 | 双滑块紧靠 | 单滑块 |
LM滑块 kg |
LM轨道 kg/m |
|||||||||||
| SRG45LC | 45 | 37.5 | 37 | 52.5 | 14×20×17 | 3090 | 115 | 256 | 6.13 | 32.2 | 6.13 | 32.2 | 6.64 | 4.5 | 11.6 | ||
日本THK直线导轨SRG45LC中的滑块和固定原件的作用
大家都知道,THK直线导轨主要的作用就是支撑和引导,而且其表面还会承载运动的部件,也就是我们常说的承载物,承载物在方向的运动上是有所控制的,并且在运动的重复性上非常大,反反复复不断的进行运动,但是在整个运动过程中,承载物还会对导轨造成较大的摩擦,但是利用滚珠的设计之后,相互之间在摩擦上降低了很多。而且直线导轨基本都是和精度比较高的机械配套使用,下面就和小编一起了解下THK直线导轨SRG45LC中不同部件的作用吧!
一、滑块:THK直线导轨SRG45LC轨最大的特点应该就是快速的运动,主要是呈现为直线的运动,这项功能的实现主要还是因为滑块,而且滑块在直线导轨上,属于必不可少的部件之一,如果没有滑块的设计,那么其在运动的轨迹上应该是曲线的,这点对于机械的设备是非常不便利的,由于机械的设备都要求直线的运动,并能保证运动的主要精度。
二、固定的元件:其最大的作用是由THK直线导轨SRG45LC直接提供的,固定元件主要的材质也是粹硬钢,而在将其安装于平面上的时候,是需要经过反复多次的摩擦,而且摩擦在精度的要求上比较高,在直线导轨的表面上,还需要具备沟槽主要是提供元件的移动和滑动,因此其在横截面的结构形状上是非常复杂的;还有一方面是,对于沟槽在形状上没有任何的严格规定,而且数量也不是完全统一的,具体对沟槽和形状的要求,主要也是根据安装设备的要求来确定的。
上一篇:THK直线导轨SRG35SLC
下一篇:THK直线导轨SRG45SLC


















