优势特点:日本THK直线导轨JR系列优点:LM轨道的中央部分采用了薄壁结构,因此当2轴间的平行度较差时,LM轨道的内侧或者外侧可产生一定的挠曲以吸收误差。



钢球沿着LM轨道和LM滑块上经过精密研磨加工的4列滚动面进行滚动;通过组装在LM滑块上的端盖板,使钢球列循环运动。LM滑块采用保持板将钢球保持住,因此即使抽出LM滑块,钢球也不会脱落。JR型的LM滑块采用了具有实际业绩和高可靠性的HSR型的LM滑块。LM轨道具有挠曲刚性很高的断面形状,因此可作为结构构件使用。
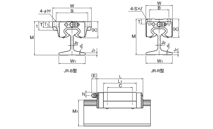
以往的LM滚动导轨用螺栓将LM轨道固定在安装基座上来使用,而JR型将安装基座和LM轨道一体化,因此LM轨道的上部使用了LM滚动导轨HSR型的结构。另外,下部的基础部采用HRC25以下的硬度,因此容易进行切削加工,也可以焊接。关于焊条,推荐使用JIS D 5816规格。 (参考生产厂商及型号∶(株式会社)神户制钢所LB-52)
【4方向等负荷】
为使LM滑块上的4个作用方向(径向、反径向和侧向)均具有相同的额定载荷,各钢球列被设计成按接触角45°配置,因此无论何种姿势都可以使用。
【可在粗糙的表面上安装】
LM轨道的中央部分采用了薄壁结构,因此当2轴间的平行度较差时,LM轨道的内侧或者外侧可产生一定的挠曲以吸收误差。
【高弯曲刚性的断面形状】
LM轨道具有挠曲刚性很高的断面形状,因此可作为结构构件使用。另外,无论采用部分固定还是悬臂支撑,LM轨道都可以把变形抑制在最低限度。






表1 表示JR型LM轨道的标准长度和最大长度。要使用超过最大长度的LM轨道时,须采用拼接方式制作。详细情况请向THK咨询。












JR25A JR25B JR25R JR35A JR35B JR35R JR45A JR45B JR45R JR55A JR55B JR55R
上一篇:THK微型双维一体式MX直线导轨
下一篇:THKR型圆弧HCR直线导轨



















