优势特点:日本THK直线轴承系列优点:由于直线滚珠导套的各部分尺寸公差是标准的,因此具有互换性。LM光轴利用外圆磨床,可以很容易地完成研磨加工,并且可以获得高精度的配合间隙(予压)。



直线滚珠导套LM型与圆柱形LM光轴配合使用,为可以完成无限直线运动的直线运动系统。承受负荷的钢球与 LM 光轴之间为点接触 , 容许负荷较小 , 但可以在最小摩擦阻力情况下实现高精度与轻快的直线运动。
轴承套采用高碳铬轴承钢制成,经过热处理后再对其内外表面进行研磨加工。直线滚珠导套的应用范围广泛,包括办公设备及其外围设备、各种测量仪、自动记录装置和数字三维测量仪等的精密仪器;以及包括多轴钻床、冲切机和工具磨床、自动气割设备、印刷机械、选卡机和食品包装机等的产业机械的滑动部位等。
【互换性】
由于直线滚珠导套的各部分尺寸公差是标准的,因此具有互换性。LM光轴利用外圆磨床,可以很容易地完成研磨加工,并且可以获得高精度的配合间隙(予压)。
【高精度保持器】
引导3~8列钢球的保持器为整体浇铸结构,因此能够在钢球的移动方向上正确地引导钢球,并能够取得稳定的行走精度。
小型直径类产品使用整体浇铸的合成树脂保持器,可以降低运转过程中的噪音并具有出色的润滑效果。
【丰富的种类】
THK提供丰富的种类,例如标准型、予压可调型、开口型、长型和法兰型LM滚珠衬套,用户可根据用途选择适合的类型。
【LM型专用轴】
制作直线滚珠导套的LM光轴时,由于钢球直接在轴表面上滚动,因此要充分考虑轴的硬度、表面粗糙度以及尺寸精度。
THK制造直线滚珠导套专用的标准LM光轴。
【标准LM光轴】
THK生产高质量的直线滚珠导套LM型系列专用LM光轴,能在短期内交货。
【特殊加工型】
如图2所示,还可根据您的要求,提供诸如攻丝、铣削、螺纹、通孔及轴肩加工等特殊加工。

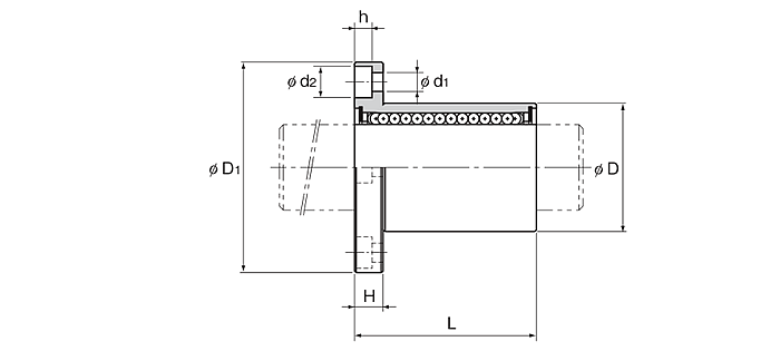
【精度规格】
直线滚珠导套的内径直径、外径、宽度和偏心度精度请参照相应的尺寸表。LM型的内径直径和偏心度精度分为高级(无标记)和精密级(P)。(精度标记在公称型号的末尾表示。)
予压可调型(-AJ)和开口型(-OP)的内径直径和外径精度表示为分割前的数值。


































































































【使用】
(1) 各部分拆卸后可能导致异物的进入或者对各部分的组装精度造成不利影响,请勿自行拆卸。
(2) 直线滚珠导套落下或受敲击可能会造成破损,请加以注意。如果受到外力撞击,则即使外观看不出破损也可能造成功能的损失,请加以注意。
【润滑】
(1) 请仔细擦拭防锈油并封入润滑剂后再使用。
(2) 请避免将性状不同的润滑剂混合在一起使用。
(3) 在经常产生振动的场所、无尘室、真空、低温或高温等特殊环境下使用时 , 有可能无法使用通常的润滑剂,详细情况请向THK咨询。
(4) 要使用特殊的润滑剂时,请事先咨询THK。
【使用注意事项】
(1) 异物进入后可能引起钢球循环部件的破损或者功能的损失,所以请防止灰尘、切削屑等异物进入系统。
(2) 请避免在超过80℃的条件下使用。要超过80℃使用时,请向THK咨询。
(3) 要在冷却剂可能进入直线滚珠导套内部的环境下使用时,请事先向THK咨询。
(4) 垃圾、锯粉等异物附着时,请在清洗后重新封入润滑剂。
(5) 要在经常产生振动的场所、无尘室、真空、低温或高温等特殊环境下使用时,请向THK咨询。
【储存】
储存直线滚珠导套时,请将其装入THK指定的封套中储存以避免高温、低温和高度潮湿的环境。

LM3 LM4 LM5 LM6 LM8S LM8 LM10 LM12 LM13 LM16 LM20 LM25 LM30 LM35 LM40 LM50 LM60
LM6GA LM8SGA LM8GA LM10GA LM12GA LM13GA LM16GA LM20GA LM25GA LM30GA LM35GA LM38GA LM40GA LM50GA LM60GA LM80GA LM100GA LM120A
LM3M LM4M LM5M LM6MG LM8SMG LM8MG LM10MG LM12MG LM13MG LM16MG LM20MG LM25MG LM30MG LM35MG LM40MG
LME5 LME8 LME12 LME16 LME20 LME25 LME30 LME40 LME50 LME60 LME80GA
LM3L LM4L LM5L LM6L LM8L LM10L LM12L LM13L LM16L LM20L LM25L LM30L LM35L LM40L LM50L LM60L
LMF6 LMF8S LMF8 LMF10 LMF12 LMF13 LMF16 LMF20 LMF25 LMF30 LMF35 LMF40 LMF50 LMF60
LMF6M LMF8SM LMF8M LMF10M LMF12M LMF13M LMF16M LMF20M LMF25M LMF30M
LMF6L LMF8L LMF10L LMF12L LMF13L LMF16L LMF20L LMF25L LMF30L LMF35L LMF40L LMF50L LMF60L
LMF6ML LMF8ML LMF10ML LMF12ML LMF13ML LMF16ML LMF20ML LMF25ML LMF30ML
LMK6 LMK8S LMK8 LMK10 LMK12 LMK13 LMK16 LMK20 LMK25 LMK30 LMK35 LMK40 LMK50 LMK60
LMK6M LMK8SM LMK8M LMK10M LMK12M LMK13M LMK16M LMK20M LMK25M LMK30M
LMK6L LMK8L LMK10L LMK12L LMK13L LMK16L LMK20L LMK25L LMK30L LMK35L LMK40L LMK50L LMK60L
LMK6ML LMK8ML LMK10ML LMK12ML LMK13ML LMK16ML LMK20ML LMK25ML LMK30ML
LMH6 LMH8 LMH10 LMH12 LMH13 LMH16 LMH20 LMH25 LMH30
LMH6L LMH8L LMH10L LMH12L LMH13L LMH16L LMH20L LMH25L LMH30L
LMIF6 LMIF8 LMIF10 LMIF12 LMIF13 LMIF16 LMIF20 LMIF25
LMIF6L LMIF8L LMIF10L LMIF12L LMIF13L LMIF16L LMIF20L LMIF25L
LMCF6L LMCF8L LMCF10L LMCF12L LMCF13L LMCF16L LMCF20L LMCF25L
LMIK6 LMIK8 LMIK10 LMIK12 LMIK13 LMIK16 LMIK20 LMIK25
LMIK6L LMIK8L LMIK10L LMIK12L LMIK13L LMIK16L LMIK20L LMIK25L
LMCK6L LMCK8L LMCK10L LMCK12L LMCK13L LMCK16L LMCK20L LMCK25L
LMIH6 LMIH8 LMIH10 LMIH12 LMIH13 LMIH16 LMIH20 LMIH25
LMIH6L LMIH8L LMIH10L LMIH12L LMIH13L LMIH16L LMIH20L LMIH25L
LMCH6L LMCH8L LMCH10L LMCH12L LMCH13L LMCH16L LMCH20L LMCH25L
SC6UU SC8UU SC10UU SC12UU SC13UU SC16UU SC20UU SC25UU SC30UU
SC35UU SC40UU SC50UU
SL6UU SL8UU SL10UU SL12UU SL13UU SL16UU SL20UU SL25UU SL30UU
SH3UU SH4UU SH5UU SH6UU SH8UU SH10UU SH12UU SH13UU SH16UU SH20UU
SH3LUU SH4LUU SH5LUU SH6LUU SH8LUU SH10LUU SH12LUU SH13LUU SH16LUU SH20LUU
SK10 SK12 SK13 SK16 SK20 SK25 SK30 SK35 SK40
下一篇:直线轴承LM3



















