优势特点:日本THK丝杆BTK 1808V-3.6属于轧制滚珠丝杆,丝杆轴外径18,导程8。超高DN值滚珠丝杠用于高速工具机,高速综合加工中心机。


|
丝杆轴 外径 d |
导程
ph |
型号 |
钢球 中心直径 dp |
沟槽谷径
dc |
负荷 圈数 列×圈 |
基本额定载荷 | |
|
Ca KN |
COA KN |
||||||
| 18 | 8 | BTK 1808V-3.6 | 19.3 | 14.4 | 1×3.65 | 13.1 | 31 |
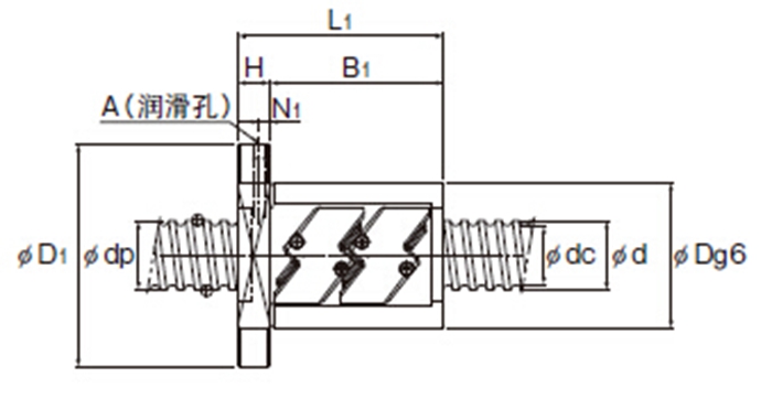
| 螺母尺寸 |
标准轴长度 |
丝杆轴的 惯性力矩/mm Kg·cm2/mm |
螺母 质量 kg |
轴 质量 kg/m |
||||||||||||
|
外径 D |
法兰直径 D1 |
全长 |
H |
B1 |
PCD |
d1 | TW | 润滑孔 |
密封圈 M1 |
轴向 间隙 |
||||||
| N1 | A | |||||||||||||||
| 50 | 80 | 61 | 12 | 49 | 65 | 6.6 | 60 | 5 | M6 | - | 0.1 | 500、1000 | 8.09×10-4 | 0.84 | 1.71 | |
THK滚珠丝杆BTK 1808V-3.6的循环类型
1) 外循环:外循环是滚珠在循环过程结束后通过螺母外表面的螺旋槽或插管返回丝杠螺母间重新进入循环。外循环滚珠丝杠螺母副按滚珠循环时的返回方式主要有端盖式、插管式和螺旋槽式。常用外循环方式端盖式;插管式;螺旋槽式。端盖式,在螺母上加工一纵向孔,作为滚珠的回程通道,螺母两端的盖板上开有滚珠的回程口,滚珠由此进入回程管,形成循环。插管式,它用弯管作为返回管道,这种结构工艺性好,但是由于管道突出螺母体外,径向尺寸较大。螺旋槽式,它是在螺母外圆上铣出螺旋槽,槽的两端钻出通孔并与螺纹滚道相切,形成返回通道,这种结构比插管式结构径向尺寸小,但制造较复杂。外循环丝杆外循环结构和制造工艺简单,使用广泛。其缺点是滚道接缝处很难做得平滑,影响滚珠滚道的平稳性。
2) 内循环:内循环均采用反向器实现滚珠循环,反向器有两种类型。圆柱凸键反向器,它的圆柱部分嵌入螺母内,端部开有反向槽2。反向槽靠圆柱外圆面及其上端的圆键1定位,以保证对准螺纹滚道方向。扁圆镶块反向器,反向器为一般圆头平键镶块,镶块嵌入螺母的切槽中,其端部开有反向槽3,用镶块的外轮廓定位。两种反向器比较,后者尺寸较小,从而减小了螺母的径向尺寸及缩短了轴向尺寸。但这种反向器的外轮廓和螺母上的切槽尺寸精度要求较高。
常用的循环方式有两种:外循环和内循环。滚珠在循环过程中有时与丝杠脱离接触的称为外循环;始终与丝杠保持接触的称为内循环。滚珠每一个循环闭路称为列,每个滚珠循环闭路内所含导程数称为圈数。
由于THK滚珠丝杆BTK 1808V-3.6的丝杠轴与丝杠螺母之间有很多滚珠在做滚动运动,所以能得到较高的运动效率。与过去的滑动丝杠副相比驱动力矩达到1/3以下,即达到同样运动结果所需的动力为使用滑动丝杠副的1/3。在省电方面很有帮助。
常用的循环方式有两种:外循环和内循环。滚珠在循环过程中有时与丝杠脱离接触的称为外循环;始终与丝杠保持接触的称为内循环。滚珠每一个循环闭路称为列,每个滚珠循环闭路内所含导程数称为圈数。
由于THK滚珠丝杆BTK 1808V-3.6的丝杠轴与丝杠螺母之间有很多滚珠在做滚动运动,所以能得到较高的运动效率。与过去的滑动丝杠副相比驱动力矩达到1/3以下,即达到同样运动结果所需的动力为使用滑动丝杠副的1/3。在省电方面很有帮助。


















