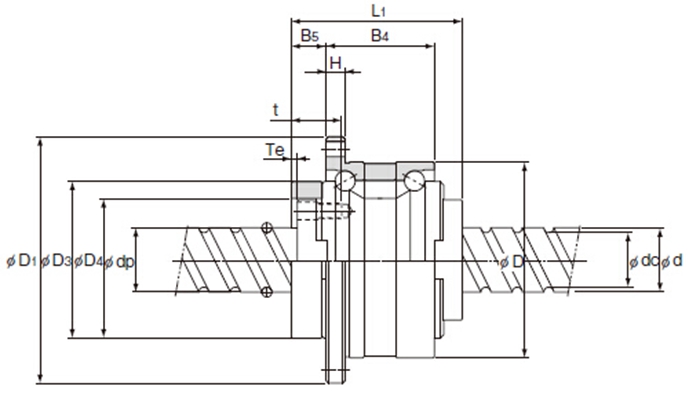
优势特点:日本THK丝杆BLR-5050-3.6属于精密螺母旋转丝杆,丝杆轴外径50,沟槽谷径44.1。THK丝杠由于承载球与轴呈点接触故运用载荷小。钢球以极小的磨擦阻力旋转然后能取得高精度的平稳运动。


| 型号 |
丝杆轴 外径 d |
沟槽谷径 dc |
导程 ph |
钢球中心直径 dp |
基本额定负荷 | 滚珠丝杆尺寸 | ||||
|
CA KN |
COA KN |
外径 D |
法兰直径 D1 |
全长 L1 |
D3
|
|||||
| BLR-5050-3.6 | 50 | 44.1 | 50 | 52.2 | 57.8 | 155 |
0 120-0.008 |
156 | 126 |
0 100-0.035 |
|
型号 |
滚珠丝杆尺寸 |
支撑轴承 基本额定载荷 |
螺母惯性 力矩 Kg·cm2 |
螺母 质量 Kg |
轴 质量 Kg/m |
|||||||||||
| D4 | H | B4 | B5 | Te | P1 | P2 | S | T | d1 | θ ° |
CA KN |
COA KN |
||||
| BLR-5050-3.6 |
+0.035 90 |
12 | 80 | 25 | 4 | 136 | 75 | M10 | 28 | 11 | 50 | 62.2 | 83 | 58.2 | 6.22 | 14.08 |
经济型数控改装中THK滚珠丝杠BLR-5050-3.6的选型和计算
对于普通机床的经济型数控改造,在考虑具体方案时,应遵守的基本原则是:在满足设计要求的前提下,对机床的改动尽可能少,以降低成本。本文,笔者以CA6140车床为例介绍了数控改造的总体设计方案,主要阐述了机床进给伺服系统机械部分设计计算过程中的进给系统的滚珠丝杠副选用。
一、总体设计方案
根据CA6140型普通车床的实际状况,经过方案比较,机械部分的改造方案如下:采用MCS-51系列单片机作为数控装置的核心,由I/O接口、软件环形分配器(硬件环分器)与放大器控制功率步进电动机转动,经一对齿轮减速转矩增大后,由滚珠丝杠传动实现纵横向进给。本文,笔者专门设计了自动电动刀架作为一个三相异步电动机带动的可自动转换选择的四方刀架。为了实现加工螺纹,需在主轴上安装一个与其同步的脉冲发生器。
二、进给系统的设计说明
步进电动机经减速后驱动滚珠丝杠,使刀架纵向、横向运动。减速装置结构采用一级齿轮传动,其从动轮孔与丝杆轴颈相配合,主动齿轮孔与步进电动机输出轴相配合,步进电动机用固定板安装在机床上。


















