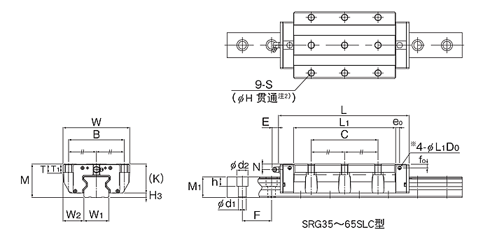
优势特点:日本THK直线导轨滑块SRG65C属于超高刚性型导轨,组合高度为90,滑块对称安装孔为142*110。THK直线导轨主要是用在精度要求比较高的机械结构上直线导轨的移动元件和固定元件之间不用中间介质,而用滚动钢球。


| 型号 | 外形尺寸 | LM滑块尺寸 | H3 | ||||||||||||||||||||||||||||||||||
|
高度 M |
宽度 W |
长度 L |
B | C | C2 | S | H | ℓ1 | ℓ2 | L1 | T | T1 | K | N | E | e0 | f0 | D0 | 油嘴 | ||||||||||||||||||
| SRG65C | 90 | 170 | 244.9 | 142 | 110 | 82 | M16 | 14.5 | - | - | 171.7 | 19.5 | 20 | 78.5 | 17 | 16 | 9 | 13.5 | 5.2 | B-PT1/8 | 10 | ||||||||||||||||
| 型号 | LM轨道尺寸 | 基本额定负荷 |
静态容许力矩 kN•m*
|
质量 | |||||||||||||
|
宽度W1 0 -0.05 |
W2 |
高度 M1 |
孔距 F |
d1×d2×h |
长度 Max |
C kN |
Co kN |
MA | MB | MC | |||||||
| 单滑块 | 双滑块紧靠 | 单滑块 | 双滑块紧靠 | 单滑块 |
LM滑块 kg |
LM轨道 kg/m |
|||||||||||
| SRG65C | 63 | 53.5 | 54 | 75 | 18×26×22 | 3000 | 219 | 441 | 12.5 | 72.8 | 12.5 | 72.8 | 16.8 | 12.5 | 23.7 | ||
日本THK线性滑轨SRG65C的不同设计要求以及作用
一、导向的精度,导向的精度主要指的是运动件沿着导轨进行移动时的直线性,或者是和它相关的基面之间位置的准确性。
二、在温度的变化上影响比较小,保证THK线性滑轨SRG65C在工作的环境下,当温度发生变化的时候,但是其还能正常的运行。
三、良好的耐磨性能,THK直线导轨的耐磨性能主要指的就是在长时间的使用之后,还能保证其使用的精度,因为导轨在使用的过程中,肯定会出现各种磨损,所以我们应该降低磨损量。
四、足够的刚度要求,因为运动件所受到的外力,基本都是由THK线性滑轨SRG65C来承受的,所以导轨的刚度要求是比较高的,可以选用宽度较大的导轨,降低导轨的比压。
五、运动平稳且轻便,在工作的过程中,应该保证THK直线导轨省力和轻便,且速度还要均匀,最好是低速的时候不会出现爬行的现象。
六、在结构的工艺性上较好,我们在保证了THK线性滑轨SRG65C的所有要求前提之下,还需要确保导轨在结构上的简单,这样会更加便于加工、调整、测量和装配。
以上就是关于THK线性滑轨SRG65C的不同设计要求以及作用了,很高兴能为大家普及这方面的知识,希望能对大家有所帮助!
上一篇:THK线性滑轨SRG55SLC
下一篇:THK线性滑轨SRG65LC


















