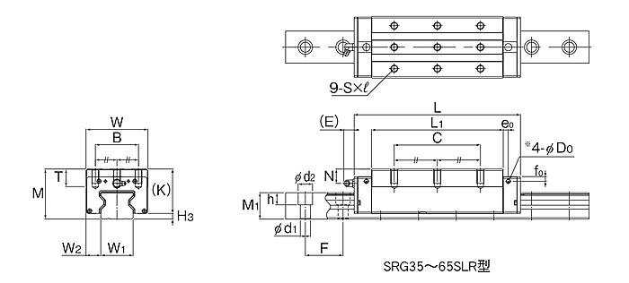
优势特点:日本THK直线导轨滑块SRG55SLR属于超高刚性型导轨,组合高度为80,滑块对称安装孔为75*150。THK直线导轨产品现已成为了规模化、标准化的配件,不但方便客户选择,在组装上也显得非常便捷。


| 型号 | 外形尺寸 | LM滑块尺寸 | H3 | ||||||||||||||||||||||||||||||||||
|
高度 M |
宽度 W |
长度 L |
B | C | S | ℓ | ℓ1 | ℓ2 | L1 | T | K | N | E | e0 | f0 | D0 | 油嘴 | ||||||||||||||||||||
| SRG55SLR | 80 | 100 | 292 | 75 | 150 | M12 | 18 | - | - | 236.2 | 27.5 | 70 | 22 | 16 | 9 | 18.5 | 5.2 | B-PT1/8 | 10 | ||||||||||||||||||
| 型号 | LM轨道尺寸 | 基本额定负荷 |
静态容许力矩 kN•m*
|
质量 | |||||||||||||
|
宽度W1 0 -0.05 |
W2 |
高度 M1 |
孔距 F |
d1×d2×h |
长度 Max |
C kN |
Co kN |
MA | MB | MC | |||||||
| 单滑块 | 双滑块紧靠 | 单滑块 | 双滑块紧靠 | 单滑块 |
LM滑块 kg |
LM轨道 kg/m |
|||||||||||
| SRG55SLR | 53 | 23.5 | 43 | 60 | 16×23×20 | 3060 | 210 | 488 | 19.1 | 93.7 | 19.1 | 93.7 | 15.6 | 9.2 | 15.8 | ||
日本THK直线滑轨SRG55SLR的爬行故障解除
直线导轨润滑油需具有较好的油性及耐磨性,在较大的载荷条件下保证油膜存在一定的强度。润滑油是碳氢化合物,特别是在工作温度较高条件下很容易与空气发生氧化反应,生成氧化胶质。氧化胶质是一种黏质的胶状物,它黏附在金属表面上不仅容易产生酸性腐蚀,而且会使摩擦表面丧失润滑性而发涩,导致爬行现象。
机床直线导轨面需要充足的润滑油,才能保证油膜起到润滑减摩作用。如果油量不足,会出现导轨面上局部无油干摩擦现象,这时很容易产生导轨爬行。另外,无油干摩擦极易导致摩擦面咬毛拉伤,造成THK直线滑轨SRG55SLR面表面粗糙,局部摩擦增大,使工作台不能保持匀速运动而产生爬行。消除方法:
1、重载荷时使用机械油效果不明显时,选择适当黏度的液压THK直线导轨油;
2、检查机床直线导轨供油系统和直线导轨面油膜状况,调节供油阀,使THK直线滑轨SRG55SLR面保持足够的油膜和良好的润滑,避免出现干摩擦;
3、润滑油的工作温度上升是油质氧化的重要因素。为了减缓油质氧化的速度,应对机床回油进行冷却降温,防止生成氧化胶质。定期更换润滑油和检测酸值指标,从油中有机酸含量是否增长来判断油的氧化程度,防止生成氧化胶质而产生爬行。
4、采用耐磨胶,修补直线导轨表面的咬毛、拉伤,通过刮削的方法,使THK直线滑轨SRG55SLR平面度、表面粗糙度恢复到原来的精度要求。
上一篇:THK直线滑轨SRG55LR
下一篇:THK直线滑轨SRG65V


















