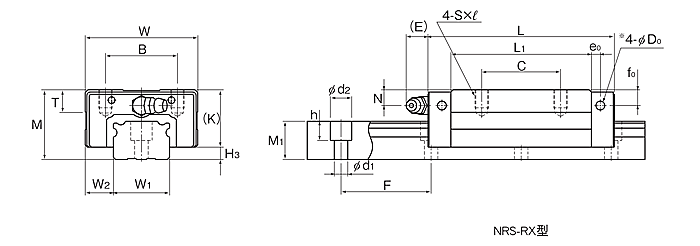
优势特点:日本THK直线导轨滑块NRS85LR属于机床用超重载荷型导轨,组合高度为90,滑块对称安装孔为100*140。影响导向精度的首要要素有:导轨的结构方法导轨的几许精度和触摸精度导轨和基础件的刚度导轨的油膜厚度和油膜刚度导轨和基础件的热变形等。


| 型号 | 外形尺寸 | LM滑块尺寸 | H3 | |||||||||||||||||||||||||||||
|
高度 M |
宽度 W |
长度 L |
B | C | S×ℓ | L1 | T | K | N | F0 | E | e0 | D0 | 油嘴 | ||||||||||||||||||
| NRS85LR | 90 | 156 | 302.8 | 100 | 140 | M18×25 | 251 | 27.36 | 73 | 20 | 20 | 16 | 10 | 8.2 | B-PT1/8 | 17 | ||||||||||||||||
| 型号 | LM轨道尺寸 | 基本额定负荷 |
静态容许力矩 kN•m*
|
质量 | |||||||||||||
|
宽度W1 0 -0.05 |
W2 |
高度 M1 |
孔距 F |
d1×d2×h |
长度 Max |
C kN |
Co kN |
MA | MB | MC | |||||||
| 单滑块 | 双滑块紧靠 | 单滑块 | 双滑块紧靠 | 单滑块 |
LM滑块 kg |
LM轨道 kg/m |
|||||||||||
| NRS85LR | 85 | 35.5 | 48 | 180 | 24×35×28 | 3000 | 342 | 687 | 25.4 | 117 | 25.4 | 117 | 24.2 | 15.8 | 30.5 | ||
日本THK直线滑轨NRS85LR的特色优点
1、THK直线滑轨NRS85LR專利的潤滑油路設計,能夠均勻的將潤滑油脂注入每個循環迴路,無論各種安裝方式都可以獲得最佳的潤滑效果,並且提昇整體的行走順暢度與使用壽命,實現高精度、高可靠度及平滑穩定的直線運動需求。
优质的产品给您的生产带来方便,让你的的不会遇到要常常更换产品的时候,在赶工的时候能发挥机械的最大效益,让厂家和我们有更多更好的后期合作和发展。
2、THK直线滑轨NRS85LR高定位精度重现佳,行走顺畅,低噪音,适合高速化应用,具互换特性,符合国际标准。
3、THK直线滑轨NRS85LR性价比高,材质为德国优质钢材,深冷处理,高钢性四方向等负荷设计,具自动调心能力,可长时间维持精度。
我们东莞创威达五金机电有限公司是专业生产线性滑轨的厂家,我们的产品在机床、铣床等多种产品上都会用到,我们的产品比一般的产品好在哪里?让我们为您从个方面展示我们的产品,让您有更多的了解。
日本THK直线导轨滑块NRS85LR属于机床用超重载荷型导轨,组合高度为90,滑块对称安装孔为100*140。影响导向精度的首要要素有:导轨的结构方法导轨的几许精度和触摸精度导轨和基础件的刚度导轨的油膜厚度和油膜刚度导轨和基础件的热变形等。
上一篇:THK直线滑轨NRS85R
下一篇:THK直线滑轨NRS100R



















