优势特点:THK直线导轨HSR系列优点:1、磨耗少能长时间维持精度。 2、定位精度高。 3、适用高速运动且大幅降低机台所需驱动马力。 4、可同时承受上下左右方向的负荷。 5、润滑构造简单。 6、组装容易并具互换性。



球保持器型LM滚动导轨径向型SSR型结构与特长:
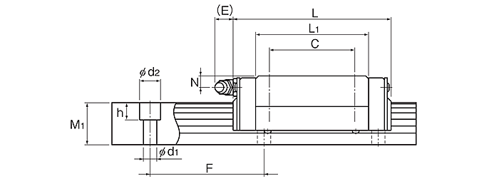
钢球沿着LM轨道和LM滑块上经过精密研磨加工的4列滚动面进行滚动;通过组装在LM滑块上的端盖板,使钢球列循环运动。
LM滑块采用保持板将钢球保持住,因此即使从LM轨道中抽出LM滑块,钢球也不会脱落(HSR8、10和12型除外)。
为使LM滑块上的4个作用方向(径向、反径向和侧向)均具有相同的额定载荷,各钢球列被设计成按接触角45?配置,因此无论何种姿势都可以使用。并且因能施加均等的预压,从而既能一边维持较低的磨擦系数,又加强了4个方向的刚性。同时,因断面高度低,并且对LM滑块进行了高刚性设计,从而能获得稳定的高精度直线运动。
【4方向等负荷】
为使LM滑块上的4个作用方向(径向、反径向和侧向)均具有相同的额定载荷,各钢球列被设计成按接触角45°配置,因此无论何种姿势都可以使用,用途广泛。
【高刚性型】
因钢球的配置是采用具有良好平衡性的4列排列,所以能施加充分的预压,并且容易地提升4个方向的刚性。
【自动调心能力】
由于THK独特的圆弧沟槽的正面组合(DF组合)具有自动调心能力,即使施加预压也能吸收安装误差,从而得到高精度、平滑稳定的直线运动。
【出色的耐久性】
即使在预压或偏置负荷作用之下,钢球的差动滑动量也抑制在最低限度,实现了高耐磨损性和精度的长期维持。
【还备有不锈钢型】
LM滑块、LM轨道、钢球也可采用不锈钢制造。















































HSR15A HSR15AM HSR20A HSR20AM HSR20LA HSR20LAM HSR25A HSR25AM HSR25LA HSR25LAM HSR30A HSR30AM HSR30LA HSR30LAM HSR35A HSR35AM HSR35LA HSR35LAM HSR45A HSR45LA HSR55A HSR55LA HSR65A HSR65LA HSR85A HSR85LA
HSR15B HSR15BM HSR20B HSR20BM HSR20LB HSR20LBM HSR25B HSR25BM HSR25LB HSR25LBM HSR30B HSR30BM HSR30LB HSR30LBM HSR35B HSR35BM HSR35LB HSR35LBM HSR45B HSR45LB HSR55B HSR55LB HSR65B HSR65LB HSR85B HSR85LB
HSR8RM HSR10RM HSR12RM
HSR15R HSR15RM HSR20R HSR20RM HSR20LR HSR20LRM HSR25R HSR25RM HSR25LR HSR25LRM HSR30R HSR30RM HSR30LR HSR30LRM HSR35R HSR35RM HSR35LR HSR35LRM HSR45R HSR45LR HSR55R HSR55LR HSR65R HSR65LR HSR85R HSR85LR
HSR15YR HSR15YRM HSR20YR HSR20YRM HSR25YR HSR25YRM HSR30YR HSR30YRM HSR35YR HSR35YRM HSR45YR HSR55YR HSR65YR
HSR20CA HSR20CAM HSR20HA HSR20HAM HSR25CA HSR25CAM HSR25HA HSR25HAM HSR30CA HSR30CAM HSR30HA HSR30HAM HSR35CA HSR35CAM HSR35HA HSR35HAM HSR45CA HSR45HA HSR55CA HSR55HA HSR65CA HSR65HA HSR85CA HSR85HA
HSR20CB HSR20CBM HSR20HB HSR20HBM HSR25CB HSR25CBM HSR25HB HSR25HBM HSR30CB HSR30CBM HSR30HB HSR30HBM HSR35CB HSR35CBM HSR35HB HSR35HBM HSR45CB HSR45HB HSR55CB HSR55HB HSR65CB HSR65HB HSR85CB HSR85HB
HSR100HA HSR100HB HSR100HR HSR120HA HSR120HB HSR120HR HSR150HA HSR150HB HSR150HR
上一篇:SR30SBM
下一篇:THK径向型SR直线导轨



















